阪倉金網株式会社は伸線と金網を製造できる総合メーカーです。
フラットワイヤー ベルト
トップページ
>
フラットワイヤー ベルト >
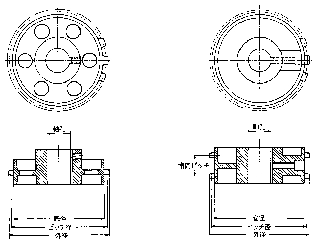
スプロケット
スプロケット
フラットワイヤーベルトは摩擦駆動も出来ますが(重荷重の場合等)、出来るだけスプロケットを御使用下さい(材質FC25又はS45C)。尚、ネット巾が広い時には中間にも御使用願います。
金網製品一覧
金網一覧
金網の規格
平織
綾織
畳織
綾畳織
綾むしろ織
菱形金網
撚り線織 / トリプル織
クリンプ金網
溶接金網
亀甲金網
標準ふるい
ふるい枠の寸法
実用新案型ふるい
ロー タップ型ふるい振盪機
メッシュデミスター
スタイル
代表的スタイルと特性
ストリップ タイプ 分割型
ワウンドタイプ 渦巻型
エアーフィルター
一覧表・成分表
金網メッシュ 線径一覧表
畳織金網メッシュ線径一覧表
ステンレス鋼線材の化学成分
JISステンレス鋼の性質・用途
金網に使用される主な線材の成分表
各種加工品
押出し機用 スクリーン(ストレーナー)
押出し機用スクリーン(ストレーナー)
パックスクリーン
クリーンメッシュ(押出機スクリューの 清浄用メッシュ)
振動篩用金網
振動篩用金網について
クリンプ織 インタークリンプ
ダブル クリンプ織
フラット トップ織
ロック クリンプ織
トンキャップ織
タイロッド織
コントラスト織 ジグザグ織
打抜金網
振動篩への取付け用 フック加工
打出し網 ・打抜き網
打出し網 ・打抜き網に ついて
各種打出し 網形状
丸孔 60°千鳥型
丸孔 45°千鳥型
丸孔 並列型
角孔 千鳥型
角孔 並列型
長孔(長円形) 千鳥型
長孔(長円形) 並列型
長孔(長方形) 千鳥型
長孔(長方形) 並列型
その他
加工
NCパンチング
ワイヤ‐ネット コンベヤー
S-K式 ワイヤ‐ネット コンベヤーベルト特質
型式
SK-1型 (菱型)
SK-5型 (バランス型)
SK-8型 (ヘリンボーン型)
SK-3型 (直線補強型)
SK-4型 (直線バランス型)
SK-6型 (ダブルバランス型)
レイコン型 (SK-6S型)
チェーン によるベルト駆動
ネットとチェーンのジョイント方法
ローラーチェーン仕様表
その他のネットコンベヤー
フラットワイヤー ベルト
スプロケット
ストッパー (フライトアタッチメント)
チョコレートコンベヤー (フラットフレックス)
スプロケット
メガネリングコンベヤー
ストレートバーコンベヤー(サニグリット)
撚り線織 (トリプル織)